
รายละเอียดผลิตภัณฑ์โดยละเอียด
| ความได้เปรียบ: | ความเร็วสูง | ความเร็วในการติดฉลาก: | 60-200pcs / นาที |
|---|---|---|---|
| ฟังก์ชัน: | การติดฉลากสติกเกอร์กาว | วัสดุ: | เหล็กกล้าไร้สนิม |
| ประเภทขวด: | ขวดฉลากขวดกลมอัตโนมัติ | ใบสมัคร: | สำหรับภาชนะกลมทุกชนิด |
| แบรนด์ Plc: | MITSUBISHI (ญี่ปุ่น) | มอเตอร์ติดฉลากเซอร์โว: | DELTA (ไต้หวัน) |
เครื่องติดฉลากไวน์แดงเครื่องติดฉลากขวดไวน์แก้วระบบควบคุม PLC เครื่องติดฉลากยี่ห้อ MITSUBISHI
คุณสมบัติ:
1. การทำงาน: ระบบควบคุม PLC ทำให้เครื่องติดฉลากใช้งานง่าย
2. วัสดุ: ตัวเครื่องหลักทำจากสแตนเลส SUS304
3. การกำหนดค่า: เครื่องติดฉลากของเราใช้ชิ้นส่วนแบรนด์ญี่ปุ่นเยอรมันอเมริกาเกาหลีหรือไต้หวันที่รู้จักกันดี
4. ความยืดหยุ่น: ลูกค้าสามารถเลือกที่จะเพิ่มเครื่องพิมพ์และเครื่องรหัส; สามารถเลือกที่จะเชื่อมต่อกับ converyer หรือไม่
พารามิเตอร์ทางเทคนิค:
| ชื่อ | ขวดไวน์กลมอัตโนมัติสำหรับเครื่องติดฉลากขวดกลมความเร็วสูง |
| ความเร็วในการติดฉลาก | 60-350pcs / นาที |
| ความสูงของวัตถุ | 30-350 มม |
| ความหนาของวัตถุ | 20-120 มม |
| ความสูงของฉลาก | 5-180 มม |
| ความยาวของฉลาก | 25-300 มม |
| เส้นผ่านศูนย์กลางภายในลูกกลิ้งฉลาก | 76 มม |
| เส้นผ่านศูนย์กลางภายนอกของลูกกลิ้งฉลาก | 420 มม |
| ความแม่นยำในการติดฉลาก | ± 1 มม |
| พาวเวอร์ซัพพลาย | 220V 50 / 60HZ 3.5KW |
| การใช้ก๊าซของเครื่องพิมพ์ | 5Kg / m2 (ถ้าเพิ่มเครื่องเข้ารหัส) |
| ขนาดของเครื่องติดฉลาก | 2800 (L) × 1650 (W) × 1500 (H) มม |
| น้ำหนักของเครื่องติดฉลาก | 180 กก |
การกำหนดค่า
| ไม่ | ส่วน | ยี่ห้อ | ปริมาณ |
| 1 | บมจ | MITSUBISHI (ญี่ปุ่น) | 1 |
| 2 | ตัวแปลงหลัก | DANFOSS (เดนมาร์ก) | 1 |
| 4 | HMI | WEINVIEW (ไต้หวัน) | 1 |
| 5 | มอเตอร์ติดฉลากเซอร์โว | DELTA (ไต้หวัน) | 1 |
| 6 | ไดรเวอร์มอเตอร์ติดฉลากเซอร์โว | DELTA (ไต้หวัน) | 1 |
| 7 | มอเตอร์ลำเลียง | HY (ไต้หวัน) | 1 |
| 8 | กระปุกเกียร์มอเตอร์ลำเลียง | HY (ไต้หวัน) | 1 |
| 9 | มอเตอร์แบ่งขวด | GPG (ไต้หวัน) | 1 |
| 10 | แบ่งกระปุกมอเตอร์ขวด | GPG (ไต้หวัน) | 1 |
| 11 | ขวดแยกตัวควบคุมความเร็วมอเตอร์ | GPG (ไต้หวัน) | 1 |
| 12 | มอเตอร์พูด | GPG (ไต้หวัน) | 1 |
| 13 | กระปุกเกียร์มอเตอร์ | GPG (ไต้หวัน) | 1 |
| 14 | วัตถุตรวจจับตาวิเศษ | OMRON (ญี่ปุ่น) | 1 |
| 15 | ใยแก้วนำแสง | OMRON (ญี่ปุ่น) | 1 |
รายละเอียดเครื่อง:

ชิ้นส่วนเครื่องติดฉลากหลัก 32 ชิ้น

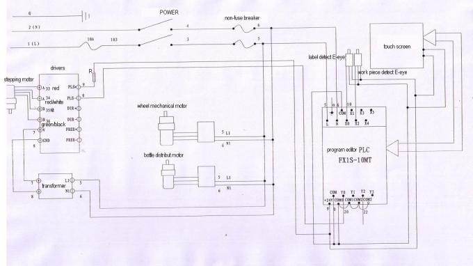
แผนภูมิวงจรรวม

คำถามที่พบบ่อย:
1.label ได้รับฟองอากาศ
เหตุผล:
①บอร์ดลอกออกไม่ดี / ไม่แบน
②ไถกระดานไม่ดี / ไม่แบน
③ผลการติดฉลากเร็วเกินไปหรือความเร็วของสายการประกอบต่ำเกินไป
④ฉลากถูกดึงคลายเกินไป
แนวทางแก้ไข:
①เปลี่ยนแผ่นเรียบลอกออก
②เปลี่ยนกระดานไถแบน
③ชะลอความเร็วเอาต์พุตการติดฉลากหรือเพิ่มความเร็วของสายการประกอบ
④กระทบสายพานฉลากอย่างถูกต้อง
แท็ก: เครื่องติดฉลากอุตสาหกรรมเครื่องติดฉลากขวดแก้ว









